综合布线系统的定义:是一个能够支持任何用户选择的话音、数据、多媒体等应用的建筑物通信布线系统。
综合布线系统概念分解:
★ 提供铜缆链路、光纤链路解决方案;
★ 由通信线缆、光缆、各种软电缆(跳线)及有关连接硬 件构成(配线架、模块)
★ 通用布线系统,支持语音、数据、多媒体等各种应用。
★ 综合布线系统中不包括各种应用设备。
综合布线系统发展演进:
三类布线一开始只是支持电话语音及传真服务。后来在20世纪80年代个人电脑出来后,发现三类布线已经满足不了更多的数据传输,发展出来五类布线,五类布线的传输带宽可以达到100MHz,传输速率达到100Mbps,但是五类布线只在市面上出现了两年左右的时间,大概是在上世纪92-93年,因为五类布线有个局限,只是半双工传输,而且超五类布线是全双工传输,超五类线和五类线在结构和用料上差别不大,一箱线的差价大概是在10几20元那样,所以五类布线很快就被超五类布线代替。同时在上个世纪90年代信息化大发展,发现在超五类的传输速率也出现了瓶颈,大概在1998年开始就发展了6类布线,现在还有6A、七类、光纤布线,八类布线已经在实验室里测试。
综合布线系统在国内的发展:
1987-1996年,国外综合布线产品进入中国市场,以5类标准的UTP缆线及光缆的产品构成综合布线系统在中国得到了应用与发展
1997年-2000年国内部分专注物理连接产品的部分厂家开始自主研发生产自己的产品。
由于国内信息化的大发展,2000年以后中国国内的制造商,连接硬件及缆线厂家纷纷推出国内产品,国内产品占领市场份额不高,但已走向市场。
综合布线的市场现状:
市场的主流依然是超5类系统和6类系统。在市场占有率上,超五类布线占到50%,而六类布线占到50%。
五类布线虽可以支持100Base-Tx到桌面,但由于在价格上与超五类系统相差无几,已经淡出布线市场。
六类系统虽然价格较高,但由于继续使用传统的RJ系列接口方式,且能够非常好地支持1000Base-T以及1000Base-Tx,所以正慢慢成为综合布线的新宠。
屏蔽布线系统(抗干扰性和安全性)在政府、金融、军队等行业得到广泛应用。
综合布线七大子系统:
综合布线的结构:
按照ISO11801的划分,综合布线系统包括以下部分:
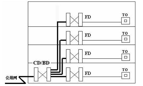
?建筑群配线架(CD)建筑群主干 建筑物配线架(BD) 建筑物主干 楼层配线架(FD) 水平分布 信息插座(TO)
综合布线原理图:
建筑群主干示意:从建筑群配线架(CD)到各建筑物配线架(BD)属于建筑群主干。
建筑群主干子系统宜采用光缆。
建筑物主干示意:
从建筑物配线架(BD)到各楼层配线架(FD)属于建筑物主干,该子系统包括建筑物主干电缆、建筑物主干光缆及其在建筑物配线架(BD)和楼层配线架上(FD)的机械终端和建筑物配线架上的接插软线和跳接线。
水平分布示意:从楼层配线架(FD)到各信息插座(TO)属于水平布线子系统。
工作区布线示意:
工作站连接是用接插软线把终端设备(声音、数据和视频等等)连接到工作区的信息插座(TO)上。
拓扑结构示意:
综合布线是一种分级星型拓扑结构。
各部件的典型设置示意
配线架可以设置在设备间或配线间中。
允许将不同配线架的功能组合在一个配线架中 。
综合布线系统的发展
1984年,世界上第一座智能大厦产生
1984年,EIA 和TIA开始标准化制定工作。
1991年7月,ANSI/EIA/TIA568即《商业大楼电信布线标准》问世
1995年底,EIA/TIA 568标准正式更新为EIA/TIA/568A
1995年,国际标准化组织(ISO)标准出相应标准ISO/IEC11801。
2000年,国内修订推出了GB/T 50311—2000;GB/T 50312—2000
2007年10月1 日,国内推出了GB 50311—2007 ;GB 50312—2007
综合布线系统的特点:
兼容性:能够支持多种系统的应用,能支持新技术的发展
开放性:采用开放式体系结构,可支持多种厂家产品
灵活性:任何信息点都可接入不同类型的设备
模块化:所有的接插件都是积木式的标准件
扩展性:实施后的系统若需扩容,方便设备接入
经济性:设计具有可适应前瞻性,适应相当长时间的需求
综合布线的标准:
国际标准:ISO/IEC11801
北美标准:TIA/EIA568B
欧洲标准:EN50173
国内标准:GB50311—2007
GB 50312—2007
中国标准:
GB 50311-2007:建筑与建筑群综合布线系统工程设计规范
GB 50312-2007:建筑与建筑群综合布线系统工程验收规范
GB/T50314-2000:智能建筑设计标准化
中国工程建筑标准化协会标准:
CESC72:97.5 建筑与建筑群综合布线系统工程设计规范
CESC89:97.5 建筑与建筑群综合布线系统工程施工和验收规范